キッチンカー車種詳細

キッチンカー軽トラック

人気のFRP製キッチンボックスを軽トラックに設置した軽キッチンカー。

レンタル料金

1日パック ¥29,150円(税込)

もしもの時に免責補償プラスをつけると安心です。
1,650円/24hあたり

「免責補償」と「免責補償プラス」について

補償制度について

レンタル料に含まれる補償制度として、万一事故の場合でも、
下記の限度額の範囲で保険金が給付されます。

  • 対人

    1名限度額

    無制限

  • 対物

    1事故限度額

    無制限(免責額10万円)

  • 車両

    1事故限度額

    車両価格(免責額10万円 )

  • 搭乗者傷害

    死亡

    3,000万円(1名につき)

※保険の免責金額および給付される保険金を超える損害金はお客様のご負担になります。
※保険契約の免責事項に該当する事故の場合、保険金は給付されません。また、警察の事故証明が取得できない場合、保険金が給付されないことがございますので、万一事故に遭われた場合は警察へ届出ていただき、事故証明を取得いただきます。

免責補償プラス

1,650円/1日あたり

この制度にご加入されますと、万一の事故の際にお客様にご負担いただきたい車両・対物補償の免責額(10万円)が免除されます。

設備

2槽シンク(下部に排水タンク200L)、冷凍冷蔵庫(コールドテーブル)、給水タンク200L、 換気扇、作業テーブル、販売テーブル、外部電源コード

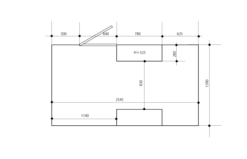
車体サイズ

冷凍冷蔵庫

冷凍冷蔵庫

  • 外形寸法

    幅1200×奥行450×高さ800(mm)

  • 定格内容積

    165L

  • 電源

    単相100V 50/60Hz 0.36kVA(3.6A)

  • 消費電力

    冷却時95/100W 霜取時39/39W

このキッチンカーを予約する

こちらのキッチンカーについてご質問はこちらへ

お問い合わせ
LINEでお問い合わせ お問い合わせ 0270-75-2323 営業時間
09時〜18時

カテゴリ一覧